Štedilnik na trda goriva (drva ali premog) KVS Moravia 9103

Emajliran pekač - globoki in plitki

Štedilniki KVS MORAVIA 9103 so primerni za prostore s prostornino od 75 do 150 m3. Na tem štedilniku lahko izberete med železno in steklokeramično kuhalno ploščo. Štedilniki KVS Moravia 9103 so na voljo v šestih barvah.

Barve:

bela bordo rdeča
antracit siva zelena
krem/rjava modra

Lastnosti štedilnika

  • visok izkoristek
  • veliko kurišče lahko prilagodljivo zimskemu ali letnemu režimu kurjenja (vrtljiva spodnja rešetka za lažje čiščenje pepela)
  • kurišče je obloženo z izredno kvalitetno šamotno opeko
  • velika lahko vodljiva pečica z pekačem, mrežo ter termometrom za kontrolo temperature
  • dva lahko dostopna regulatorja vleka (nad vrati pepelnika ter na okvirju štedilnika)
  • prostoren predal za shranjevanje drv
  • levi ali desni priključek za dimnik (primer: levo zadaj, levo zadaj na strani, levo zadaj na plošči v primeru železne plošče)
  • možnost izolacijskega elementa širine 100mm v željeni barvi med štedilnikom in kuhinjskimi elementi (stran 32 v katalogu)

Karakteristike štedilnika

  • minimalna prostornina ogrevanja: 75-150 m3
  • kurišče: šamotna opeka
  • ročaji: bakelit ali krom
  • kuhalna plošča: železna ali STEKLOKERAMIČNA

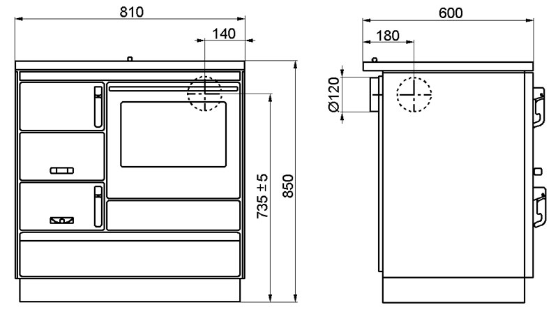
Tehnični podatki štedilnika

toplotna moč6-10 kW
min. vlek dimnika10 Pa
dimenzije štedilnikavišina: 850 mm
širina: 810 mm
globina: 600 mm
površina plošče0,34 m2
dimenzije pečicevišina: 294 mm
širina: 400 mm
globina: 482 mm
premer dimnika120 mm
višina dimnega priključka od tal735 ± 5 mm
gorivo (priporočeno)drva ali lesni briketi
porabapremog: 1,8 kg/h
drva: 3,5 kg/h
izkoristek70%
teža140 kg
Izdelava štedilnikov na drva

Kvalitetna izdelava

Vsi štedilniki na trda goriva Moravia so izdelani iz kvalitetne šamotne opeke, zunanje površine pa je emajlirano, kar zagotavlja enostavno vzdrževanje in dolgo življenjsko dobo štedilnika.

Barva

Štedilnik v barvi

Štedilnike Moravia lahko dobite v različnih barvah: od bele, rjave, rdeče, zelene, modre ali črne.

Garancija

2 leti garancije

Ker verjamemo v naše štedilnike, vam ne ponujamo samo 1 leto, ampak kar 2 leti garancije.

Brezplačna dostava

Brezplačna dostava

Vaš novi štedilnik na drva vam BREZPLAČNO dostavimo po celi Sloveniji.

Možnost plačila s plačilnimi in kreditnimi karticami

Kreditne in plačilne kartice

Svoj novi štedilnik na trda goriva lahko plačate s kreditnimi in plačilnimi karticami Mastercard, Visa, BA, Karanta in Maestro kot fizična ali pravna oseba.